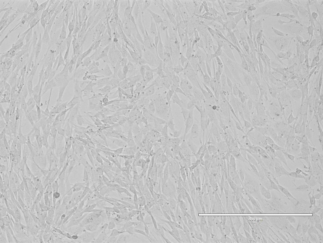
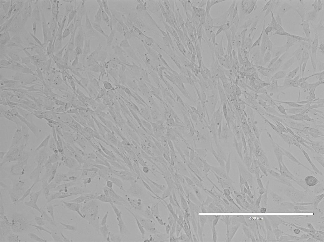
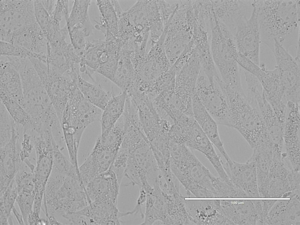
MC3T3-E1细胞(小鼠颅顶前骨细胞)来源于C57BL/6小鼠颅骨中建立。具有分化成成骨细胞和骨细胞的能力,并已被证明可以在体外形成钙化的骨组织,矿物沉积已被鉴定为羟基磷灰石。MC3T3-E1细胞的碱性成纤维细胞生长因子(bFGF)mRNA和蛋白的表达已被证明可以通过TGF-β和bFGF的处理来调节。据报道,前列腺素F2a可以通过上调MC3T3-E1细胞胰岛素样生长因子I受体来刺激DNA合成和增殖。MC3T3-E1细胞分泌胶原并在RNA中表达小鼠白血病抑制因子(mLIF)。

【培养保存】
培养体系:DMEM+10%FBS+1%PS
培养条件:气相:空气,95%;CO2,5%;温度:37℃
冻存条件:基础培养基+10%DMSO+20%FBS,液氮保存
当细胞密度达 80%-90%,即可进行传代培养。
1. 弃去培养上清,用不含钙、镁离子的 PBS 润洗细胞 1-2 次;
2. 加 1ml 消化液于培养瓶中,置于 37℃培养箱中消化 2-4 分钟,然后在显微镜下观察细胞消化情况,若细胞大部分变圆并脱落,迅速拿回操作台,轻敲几下培养瓶后加胰酶 3 倍体积的培养基终止消化;
3. 用巴氏管轻轻打匀后吸出,在 1000RPM 条件下离心 5 分钟,弃去上清液,加入培养液后吹匀;
4. 收到细胞后首次传代推荐将细胞悬液按 1:2 的比例分到新的含 6ml 培养基的新皿中或者瓶中,建议冻存一支备用,后续传代根据实际情况按 1:2 到 1:4 的比例进行。
【冻存步骤】
1. 细胞冻存时,弃去培养基后,PBS 清洗一遍后加入 1ml 胰酶,细胞变圆脱落后,加入 3ml 含血清的培养基终止消化,可使用血球计数板计数;
2. 5min 1000rpm 离心去掉上清。加 1ml 血清重悬细胞,根据细胞数量加入血清和 DMSO,轻轻混匀, DMSO 终浓度为 10%,细胞密度不低于 1x10(6)/ml,每支冻存管冻存 1ml 细胞悬液,注意冻存管做好标识;
3. 将冻存管置于程序降温盒中,放入-80 度冰箱,至少 2 个小时以后转入液氮灌储存。记录冻存管位置以便下次拿取。



