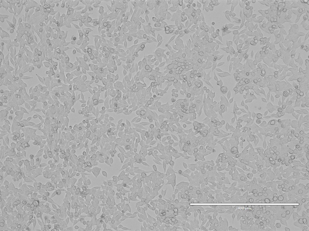
SW620(人结直肠腺癌细胞)细胞从一个51岁男性白人组织中分离得到,由A.Leibovitz等从一个淋巴结建株。细胞系主要由无绒毛的小圆球细胞和双极细胞组成。它仅合成少量癌胚抗原(CEA)且在裸鼠中有高度的致瘤性。

【培养保存】
培养体系:L15+10%FBS+1%PS
培养条件:气相:空气,95%;CO2,5%;温度:37℃
冻存条件:基础培养基+10%DMSO+20%FBS,液氮保存
【传代步骤】
当细胞密度达80%-90%,即可进行传代培养。
(1).弃去培养上清,用不含钙、镁离子的PBS润洗细胞1-2次;
(2).加1ml消化液于培养瓶中,置于37℃培养箱中消化2-4分钟,然后在显微镜下观察细胞消化情况,若细胞大部分变圆并脱落,迅速拿回操作台,轻敲几下培养瓶后加胰酶3倍体积的培养基终止消化;
(3).用巴氏管轻轻打匀后吸出,在1000RPM条件下离心5分钟,弃去上清液,加入培养液后吹匀;
(4).收到细胞后首次传代推荐将细胞悬液按1:2的比例分到新的含6ml培养基的新皿中或者瓶中,建议冻存一支备用,后续传代根据实际情况按1:2到1:4的比例进行。
【冻存步骤】
(1).细胞冻存时,弃去培养基后,PBS清洗一遍后加入1ml胰酶,细胞变圆脱落后,加入3ml含血清的培养基终止消化,可使用血球计数板计数;
(2).5min 1000rpm 离心去掉上清。加1ml血清重悬细胞,根据细胞数量加入血清和DMSO,轻轻混匀,DMSO终浓度为10%,细胞密度不低于1x10(6)/ml,每支冻存管冻存1ml细胞悬液,注意冻存管做好标识;
(3).将冻存管置于程序降温盒中,放入-80度冰箱,至少2个小时以后转入液氮灌储存。记录冻存管位置以便下次拿取。





